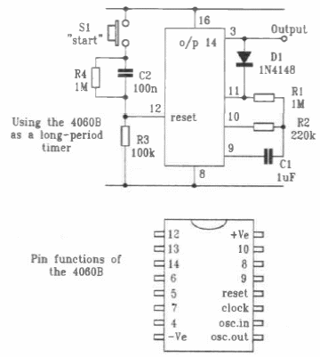
This circuit shows how to use the 4060's various outputs for frequency division and achieving a long period timer.
We found this configuration in a 1974 technical documentation. It can test both TTL logic circuits and...
This circuit emits an alert sound (interval beeps) if the car lights are left on and the ignition key...
This is an amplifier that uses a pickup coil placed next to the telephone set and the listening is done in...