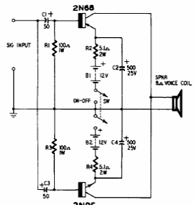
We found this step in an old documentation. The transistors are of the time and the power supply symmetrical.
We found this configuration in a 1974 technical documentation. It can test both TTL logic circuits and...
This circuit emits an alert sound (interval beeps) if the car lights are left on and the ignition key...
This is an amplifier that uses a pickup coil placed next to the telephone set and the listening is done in...