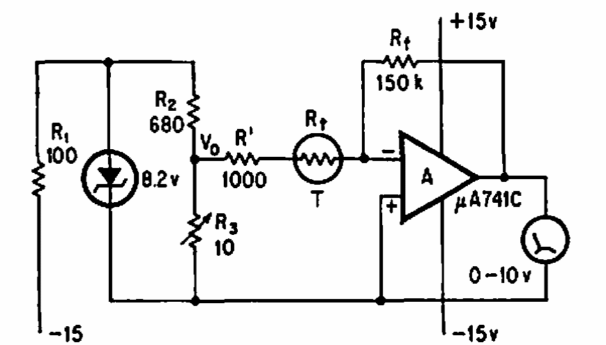
This temperature sensor circuit was found in an old American documentation. The components used are still current.
With the circuit shown, you can have a fast response with a Darlington configuration. The circuit is...
We found this multiple thermostat circuit in July 1980 Radio Electronics magazine. It uses...
Mouser Electronics is already providing new MOSFETs EF SIHx28N60EF of Vishay series for voltages...