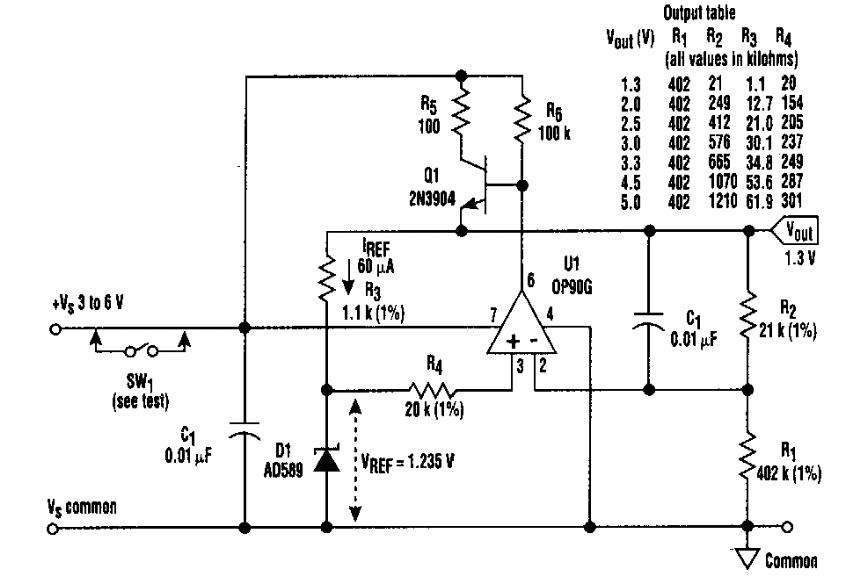
Found in an Electronic Design from the 90's, this circuit supplies voltages according to the indicated component values. The integrated circuit is from the time.
With the circuit shown, you can have a fast response with a Darlington configuration. The circuit is...
We found this multiple thermostat circuit in July 1980 Radio Electronics magazine. It uses...
Mouser Electronics is already providing new MOSFETs EF SIHx28N60EF of Vishay series for voltages...