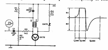
This pulse-synchronized oscillator was found in a Mullard manual from 1960. The transistors are made of germanium and the frequency is given by the coils and associated capacitor (C2).

This pulse-synchronized oscillator was found in a Mullard manual from 1960. The transistors are made of germanium and the frequency is given by the coils and associated capacitor (C2).
