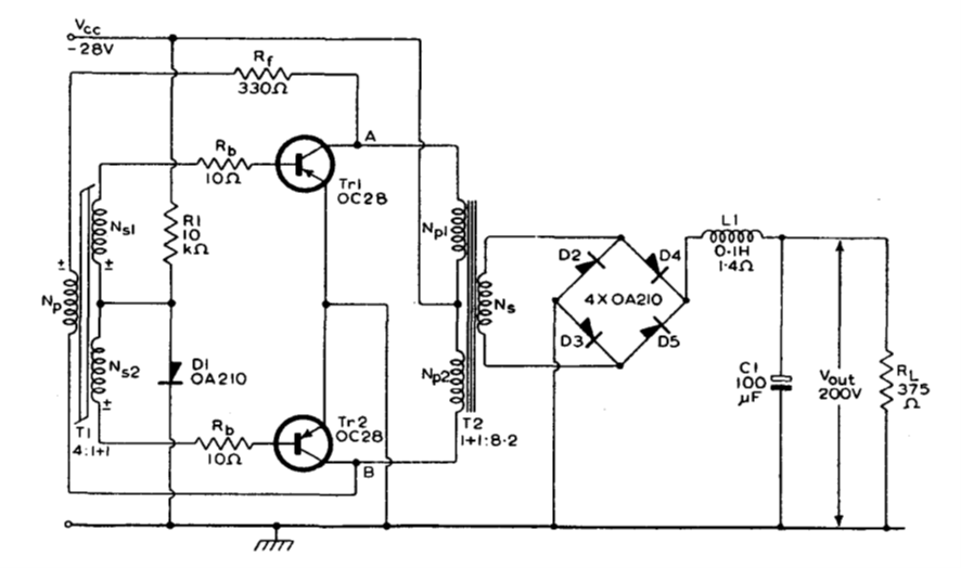
We found this circuit in Mullard's 1960s transistor manual. No information about transformers is given. Transistors are germanium types of the time.
Found in documentation from ON Semiconductor, this circuit provides a rectangular output signal with...
We found this circuit in 1964 General Electric documentation. The circuit works with mechanical...
This very low frequency circuit was found in a 1964 Electronic Design. Transistors may be modern...