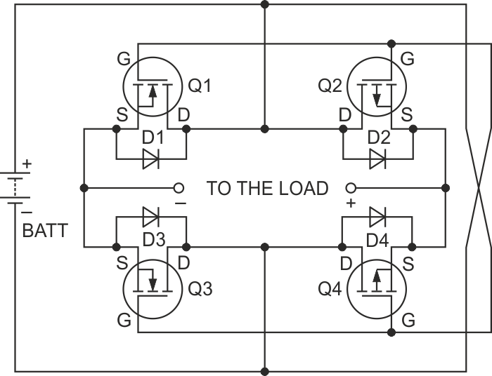
In the figure we have an interesting protection bridge against power polarity inversion of a circuit using power MOSFETs. MOSFETs must have currents according to the protected load.
Found in documentation from ON Semiconductor, this circuit provides a rectangular output signal with...
We found this circuit in 1964 General Electric documentation. The circuit works with mechanical...
This very low frequency circuit was found in a 1964 Electronic Design. Transistors may be modern...