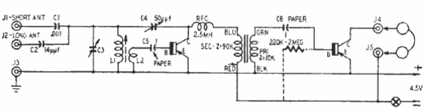
This receiver uses one of the first transistor types available on the market, the CK722, but it can be implemented with others. The circuit is from a Raytheon manual from the 1960s.

This receiver uses one of the first transistor types available on the market, the CK722, but it can be implemented with others. The circuit is from a Raytheon manual from the 1960s.
