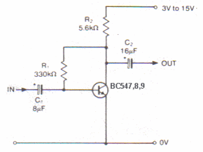
In the figure we have a simple amplifier stage for BC547 series transistors. The gain is approximately 200 times with a 9V supply.

In the figure we have a simple amplifier stage for BC547 series transistors. The gain is approximately 200 times with a 9V supply.
