Using a 4-layer diode, an unusual component today, this circuit was found in an American documentation from 1964. The circuit can be tested using a diac.
This receiver was obtained in a documentation from the 90's and is of the super-regenerative type....
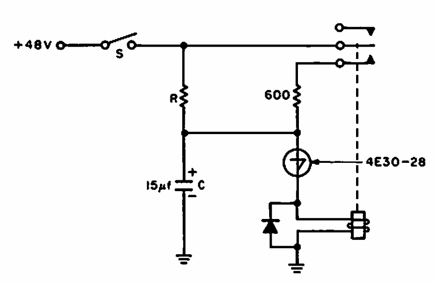
This circuit couples 600-ohm signals to a line of the same impedance consisting of an amplifier stage....
The circuit presented is from an old magazine having been translated and published in a national...