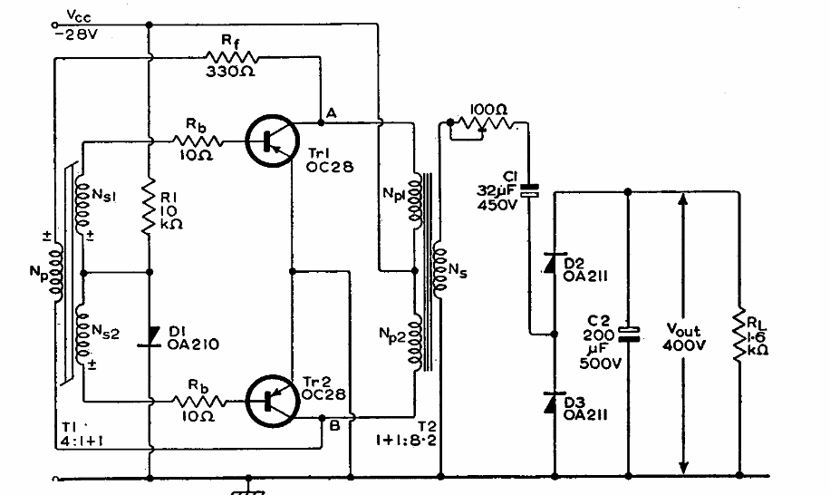
This voltage inverter circuit was found in a Mullard transistor manual from 1960. Information on the transformers was given. Transistors are germanium types.
This receiver was obtained in a documentation from the 90's and is of the super-regenerative type....
This circuit couples 600-ohm signals to a line of the same impedance consisting of an amplifier stage....
The circuit presented is from an old magazine having been translated and published in a national...