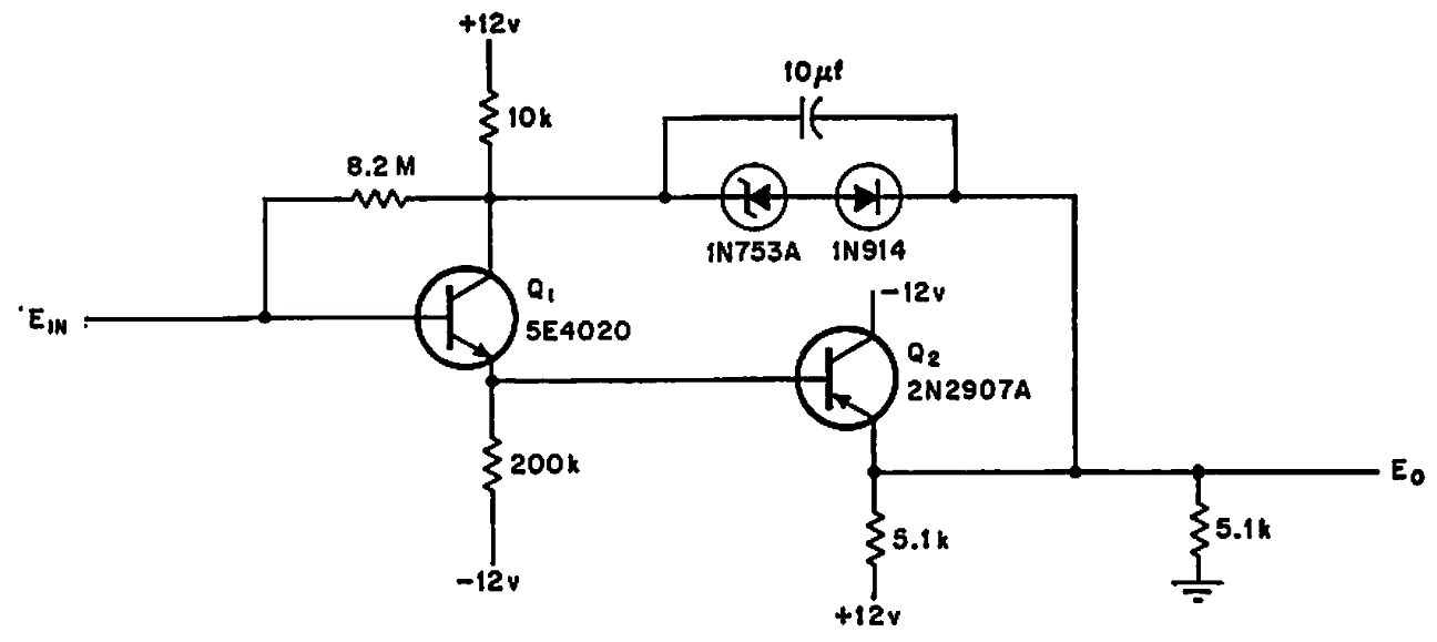
The purpose of this circuit is to extend the range of applications from a Darlington pair to DC. The circuit is from an American documentation from 1970.
This circuit generates a rectangular signal whose frequency depends on the electrolytic...
This simple tester for general purpose transistors was obtained in an Argentine publication from...
This circuit is intended for calls to the deaf and is indicated in an old English documentation. LEDs can be...