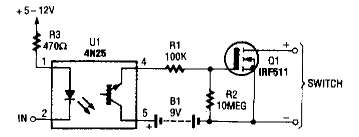
We found this circuit in a Popular Electronics from the 90s. The field effect transistor can be of any type.
With the indicated components, this circuit oscillates at 1232 Hz. Consider the tolerance of the...
This symmetrical four voltage source was found in a 1968 Motorola documentation. The circuit is of a...
This circuit is from 2001 documentation, serving to multiplex stereo signals for FM transmitters. The...