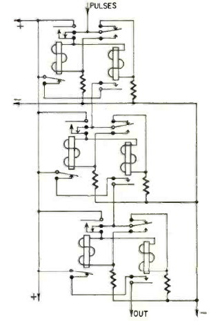
This circuit uses the flip-flops from the previous circuit to implement a 3-digit binary counter. The circuit is from a Radio Electronics from October 1961.

This circuit uses the flip-flops from the previous circuit to implement a 3-digit binary counter. The circuit is from a Radio Electronics from October 1961.
