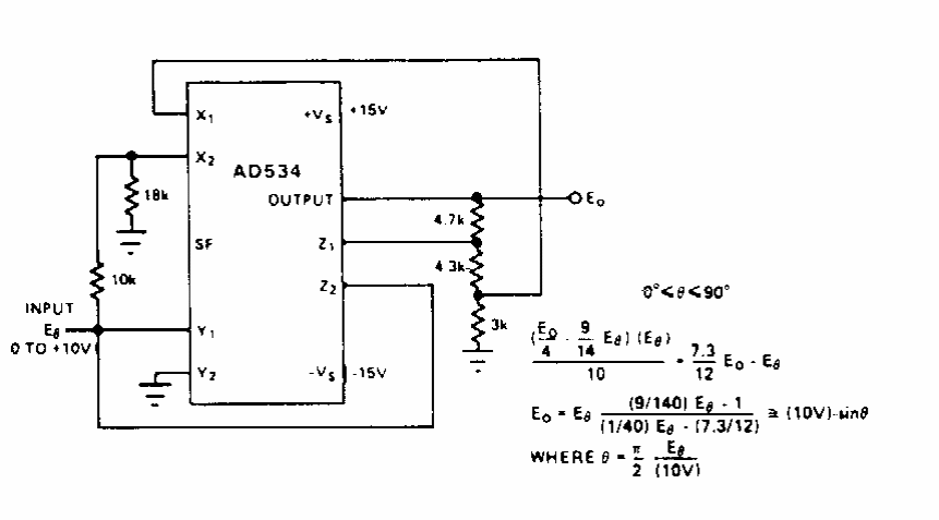
We found this circuit in an Analog Devices documentation from the 1990s. It provides an approximation for the sine ꬾ of an input voltage. It is used in analog computing.
This circuit is from an American documentation from 1975. The single junction transistors can be...
This circuit, suggested by the Linear Applications Handbook of National Semiconductor, uses a very...
This circuit divides the voltage of a source by 2, allowing its use as a symmetrical source. In...