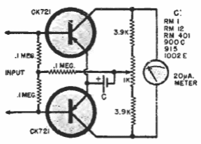
This circuit for analog instruments was found in a Raytheon documentation from the 1960s. Transistors are germanium types from the time.

This circuit for analog instruments was found in a Raytheon documentation from the 1960s. Transistors are germanium types from the time.
