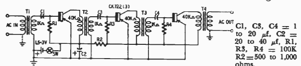
This circuit is from a book of transistors from 1954. The transistors are from the time and the gain obtained is of the order of 80 dB. Component values are given on the side of the diagram.

This circuit is from a book of transistors from 1954. The transistors are from the time and the gain obtained is of the order of 80 dB. Component values are given on the side of the diagram.
