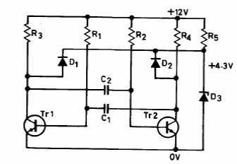
This circuit was found in a 1974 Ferranti transistor manual. The transistors are general purpose, and the frequency is approximately 1 MHz.


This circuit was found in a 1974 Ferranti transistor manual. The transistors are general purpose, and the frequency is approximately 1 MHz.

