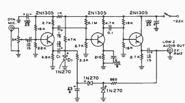
This circuit was found in a 1977 publication for radio amateurs. Transistors are common general-purpose types of the time.

This circuit was found in a 1977 publication for radio amateurs. Transistors are common general-purpose types of the time.