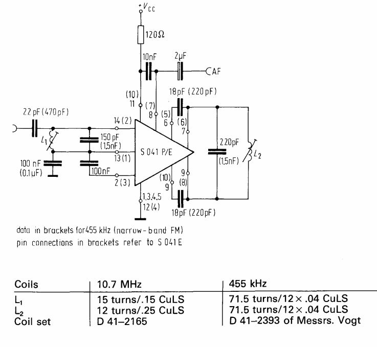
Found in the 1976 Siemens transistors manual, this circuit works with AM or FM IF signals. In the diagram information is given for the coils.
Maxim MAX20094 and MAX20095 Battery Chargers Maxim Integrated offers through Mouser Electronics high...
This circuit suggested by Intersil, provides a Kelvin scale of 3 and a half digits in a 7106, with...
Found in National Semiconductor documentation from the 1990s, this circuit switches video signals to...