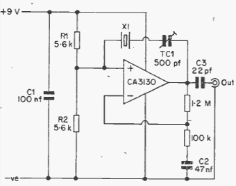
This oscillator with the CA3130 was obtained from an English publication from 1977. The circuit does not need a symmetric power source and crystals of lower frequencies can be used.

This oscillator with the CA3130 was obtained from an English publication from 1977. The circuit does not need a symmetric power source and crystals of lower frequencies can be used.
