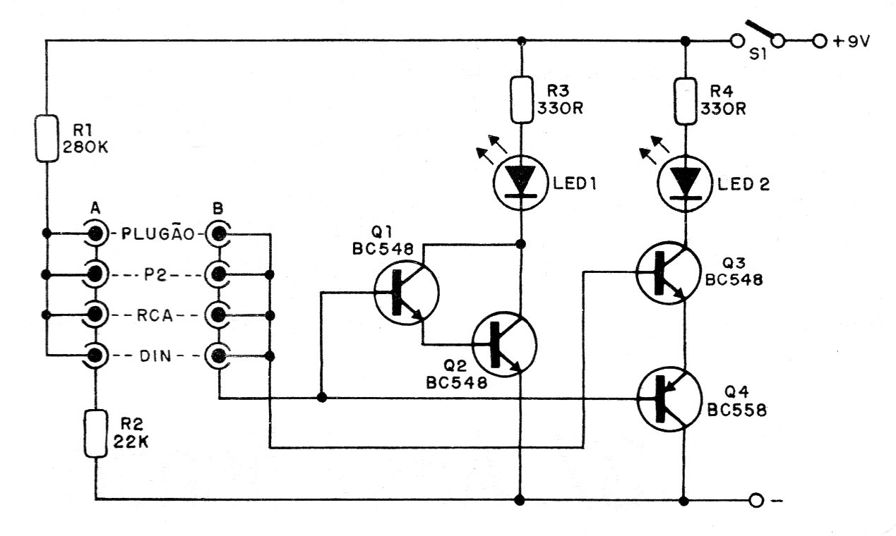
The circuit shown is intended for cable testing, providing status indication via LEDs. The number of cables can be increased, and the circuit is powered by a 9 V battery. The plugs and jacks are according to the cables that must be tested.
The circuit shown is intended for cable testing, providing status indication via LEDs. The number of cables can be increased, and the circuit is powered by a 9 V battery. The plugs and jacks are according to the cables that must be tested.