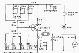
This circuit was found in documentation from 1977. It consists of a bridge of capacitances using a 50 uA full scale indicator.

This circuit was found in documentation from 1977. It consists of a bridge of capacitances using a 50 uA full scale indicator.
