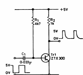
This circuit was found in Ferranti's 1974 transistor manual. The circuit is for non-critical applications and the capacitor depends on the timing of the signals.

This circuit was found in Ferranti's 1974 transistor manual. The circuit is for non-critical applications and the capacitor depends on the timing of the signals.
