This circuit was found in a Popular Electronics from the 90's. The circuit is connected in series.
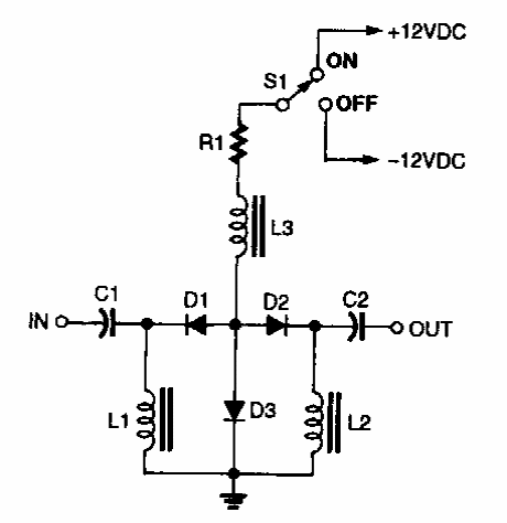
The intensity of an audio signal can be controlled by a remote potentiometer on a DC circuit,...
This alarm circuit is from a 1987 publication, however the components used are still modern. The...
This voltage-controlled function generator circuit was found in ancient European documentation. The circuit...