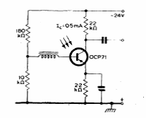
We found this circuit in a Mullard manual from 1960. The transistor is a phototransistor of the time. The gain is 3 dB.
This 1992 circuit operates in the range of cordless phones used at the time. The circuit is based...
This different circuit uses a relay as an oscillator, whose frequency is determined by C1, and to...
This antenna or booster amplifier operates with signals from the midband (MW) range up to the VHF...