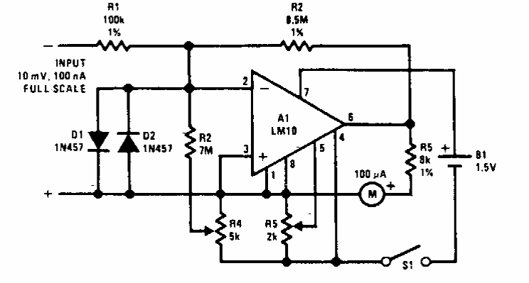
This 1.5V instrumentation amplifier was found in National Semiconductor documentation from the 1990s.
The S-meter is signal strength meter, coupled to telecommunications receivers to indicate the...
This circuit is suggested by Motorola, making it possible to use an optical coupler of type 4N26...
Dynamic analyzer is another name given to a signal follower or signal chaser. This circuit is from...