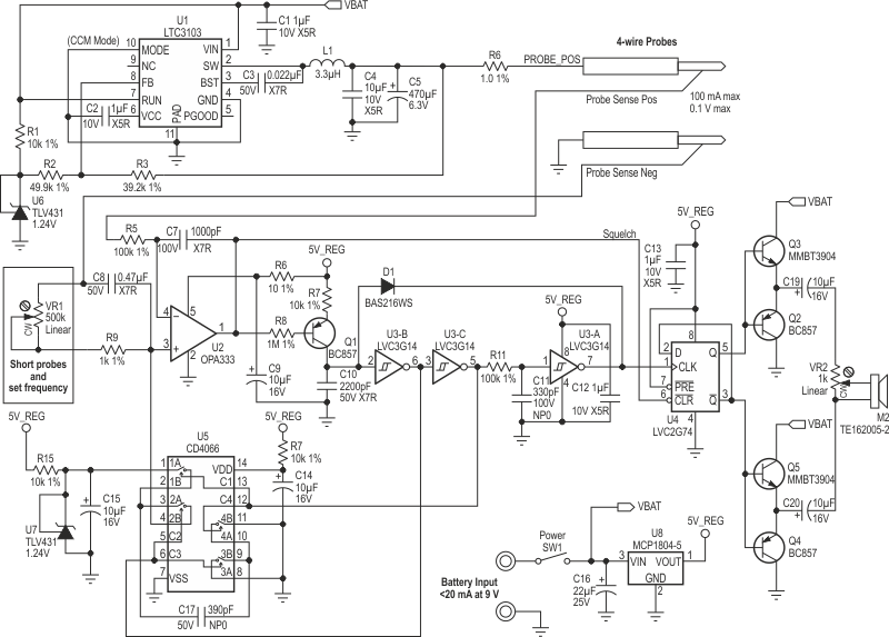
Based on CMOS logic this short-circuit locator circuit uses the ear's ability to detect small changes in pitch, which are caused by variations in millivolts in a track under analysis.
This 1992 circuit operates in the range of cordless phones used at the time. The circuit is based...
This different circuit uses a relay as an oscillator, whose frequency is determined by C1, and to...
This antenna or booster amplifier operates with signals from the midband (MW) range up to the VHF...