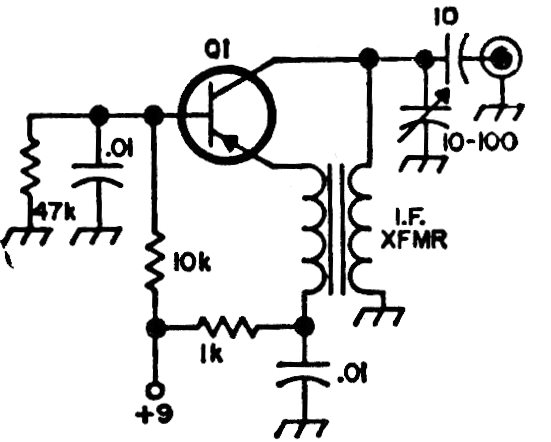
This circuit can be used to listen for SSB signals on receivers that do not have the built-in feature. The coil must be an IF of the frequency of the receiving device. The transistor can be any common type of low power RF.

This circuit can be used to listen for SSB signals on receivers that do not have the built-in feature. The coil must be an IF of the frequency of the receiving device. The transistor can be any common type of low power RF.
