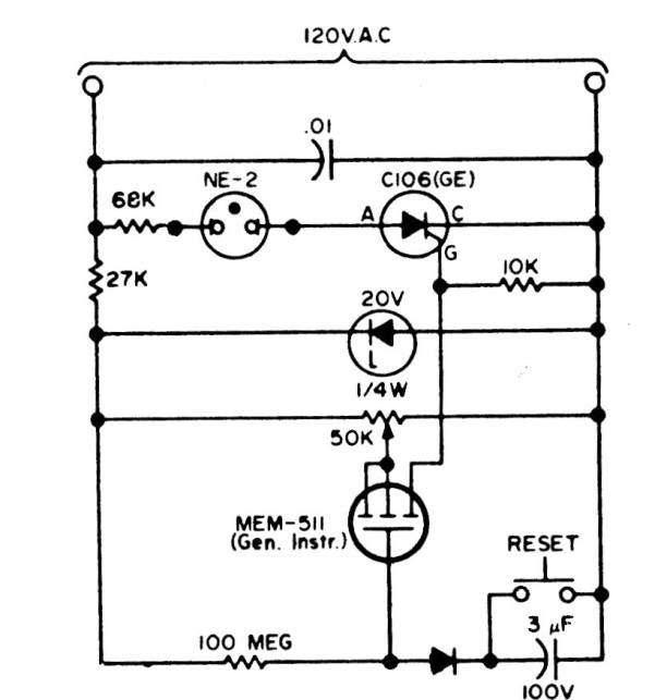
Although MOSFETs of the type indicated are not very easy to obtain, one can have the circuit as a reference. It was found in 1970s documentation and directly controls a load connected to the power grid. Timing is 10 minutes.

Although MOSFETs of the type indicated are not very easy to obtain, one can have the circuit as a reference. It was found in 1970s documentation and directly controls a load connected to the power grid. Timing is 10 minutes.
