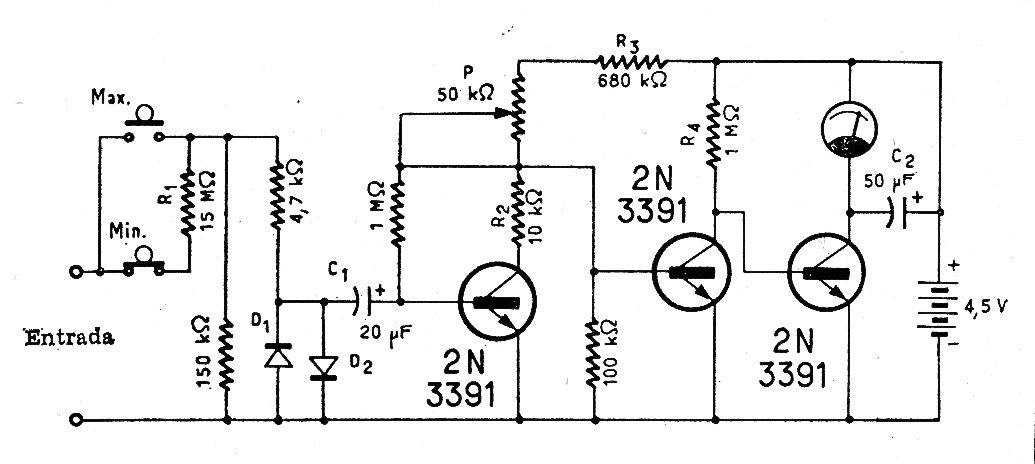
This circuit can be used in bridge of sensitive measures. We found it in a documentation from the 1960s and the transistors can be replaced by modern equivalents like the BC547 or BC548. The galvanometer is a 50 to 200 uA full-scale type and is powered from 3 standard cells.




