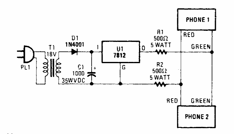
With this circuit it is possible to use a pair of old telephones in a wired communication system. The circuit is from a Popular Electronics from the 90s.
The purpose of this interesting circuit found in a 1977 documentation is to complete the last...
This circuit allows to drive a triac with high power AC load from a CMOS output or directly from a...
This circuit was obtained in a documentation from the 80's. However, using TTL it is still modern,...