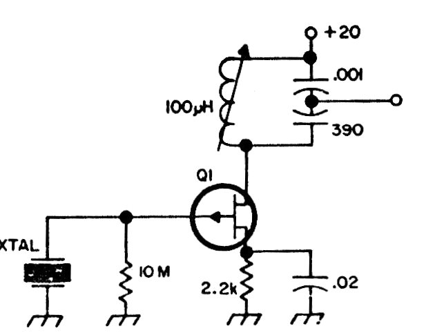
This circuit with a common FET generates signals around 1 MHz, depending on the crystal used. We found it in an old publication for radio amateurs.

This circuit with a common FET generates signals around 1 MHz, depending on the crystal used. We found it in an old publication for radio amateurs.
