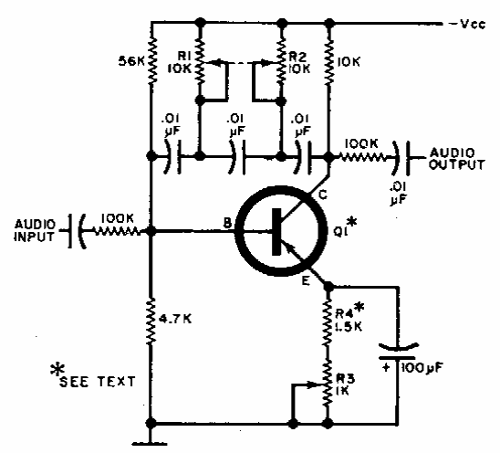
This circuit of a Popular Electronics from the 80's selects tones around 60 Hz, acting as a filter of separation between two nearby audio tones. The transistor can be a BC558.

This circuit of a Popular Electronics from the 80's selects tones around 60 Hz, acting as a filter of separation between two nearby audio tones. The transistor can be a BC558.
