This circuit was found in an old factory documentation. The circuit uses single-junction transistor SCRs at the time. These components support modern equivalents.
The trip circuit for this alarm is given in CB16765E. The circuit uses common components and acts...
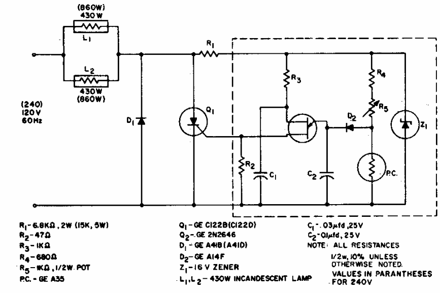
This circuit is from an old American publication from 1970, but it can be assembled with a BF494...
This circuit found in 1969 Popular Electronics is used to power a gas laser. The circuit produces...