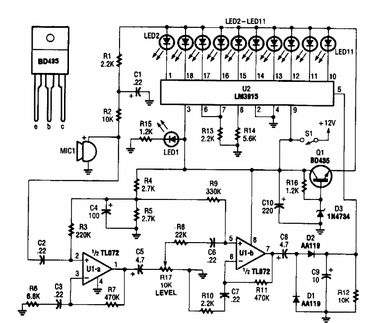
This sound meter or sonometer was found in a Popular Electronics from the 80's. The circuit can be easily implemented today, and the microphone is made of electret or ceramic.
The trip circuit for this alarm is given in CB16765E. The circuit uses common components and acts...
This circuit is from an old American publication from 1970, but it can be assembled with a BF494...
This circuit found in 1969 Popular Electronics is used to power a gas laser. The circuit produces...