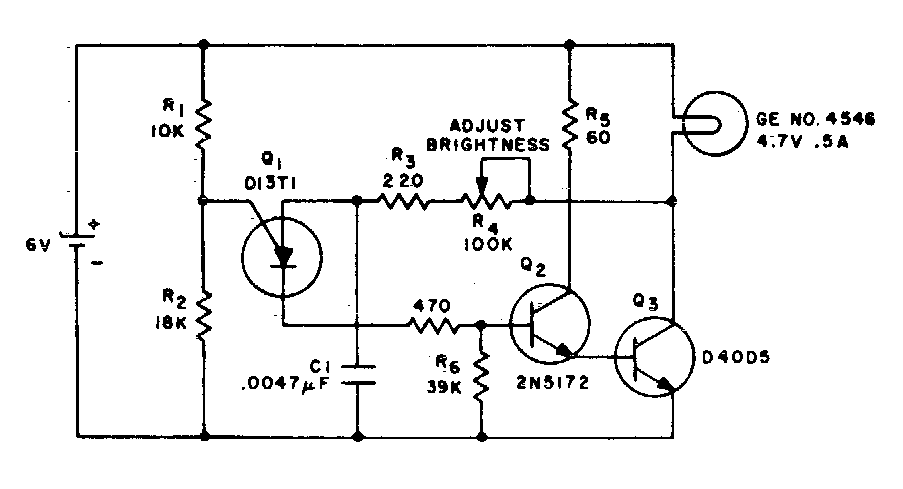
For a current of 5A and a supply of 6 V this circuit was found in documentation from the 70s. Transistors admit modern equivalents. Q1 is a PUT uncommon today.
This circuit was found in documentation from the 1980s. It is powered by the audio signal that must...
Damped oscillators can be used to produce sound from percussion instruments such as the triangle, bell,...
Found in Radio Electronics from the 90s, this circuit produces pulses to test an infrared...