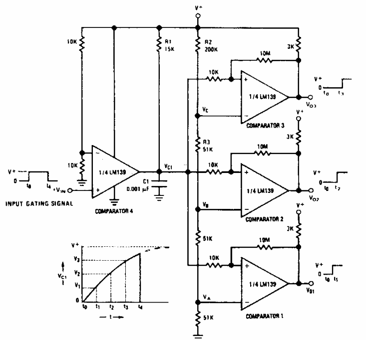
This circuit generates output pulses with sequential delays. The delays can be programmed by the values of the resistors and the capacitor. The supply voltage can typically be between 5 and 12 V.
This circuit is from a Radio Electronics magazine from December 1958. The indicator instrument is analog...
This circuit sends signals to a shortwave radio (range 3 to 7 MHz) at a distance of a few tens of...
This circuit was found in an Electronics World of 1968. It can be applied to any modern triac and...