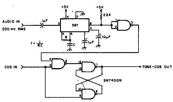
This circuit is from American documentation from the 1980s, based on the well-known 567. It is, therefore, a current circuit since the logic is TTL. The circuit can be used as a shield.

This circuit is from American documentation from the 1980s, based on the well-known 567. It is, therefore, a current circuit since the logic is TTL. The circuit can be used as a shield.
