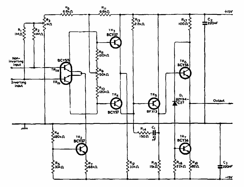
Suggested by Philips documentation from 1968, this circuit uses components from the era that can be replaced by modern equivalent types. The double transistor can be replaced by a matched pair.
This two-microphone amplifier was found in a April 1961 Radio Electronics Magazine. The circuit is...
We found this experimental musical instrument in a 1977 Radio Shack brochure. The sound produced...
With this circuit it is possible to modulate the radiation emitted by a laser diode in amplitude. The...