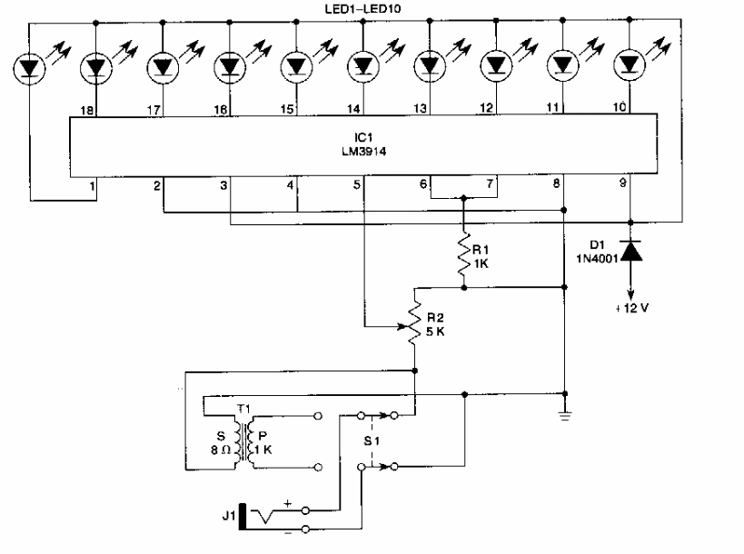
Found in Electronics Now this circuit is indicated for operation at the output of audio amplifiers. The circuit is powered by 12 V from the amplifier itself or from another source.
This circuit was obtained from a 1962 magazine. It can still be mounted to be powered from 6 V...
This electronic level or plumb indicator has two mercury switches as sensors. The indication is...
This inverting amplifier has a transistor output stage that can increase its current capacity. Higher...