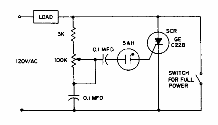
The trigger element of this circuit is a neon lamp. The SCR admits an equivalent. We found it in an American documentation from the 80s.
This two-microphone amplifier was found in a April 1961 Radio Electronics Magazine. The circuit is...
We found this experimental musical instrument in a 1977 Radio Shack brochure. The sound produced...
With this circuit it is possible to modulate the radiation emitted by a laser diode in amplitude. The...