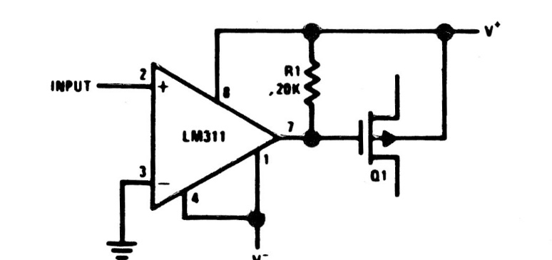
This circuit is from the 80's integrated circuit manual itself. The component is not as common today as the MOS transistor used. The circuit can be adapted for modern applications.
The S-meter is signal strength meter, coupled to telecommunications receivers to indicate the...
This circuit is suggested by Motorola, making it possible to use an optical coupler of type 4N26...
Dynamic analyzer is another name given to a signal follower or signal chaser. This circuit is from...