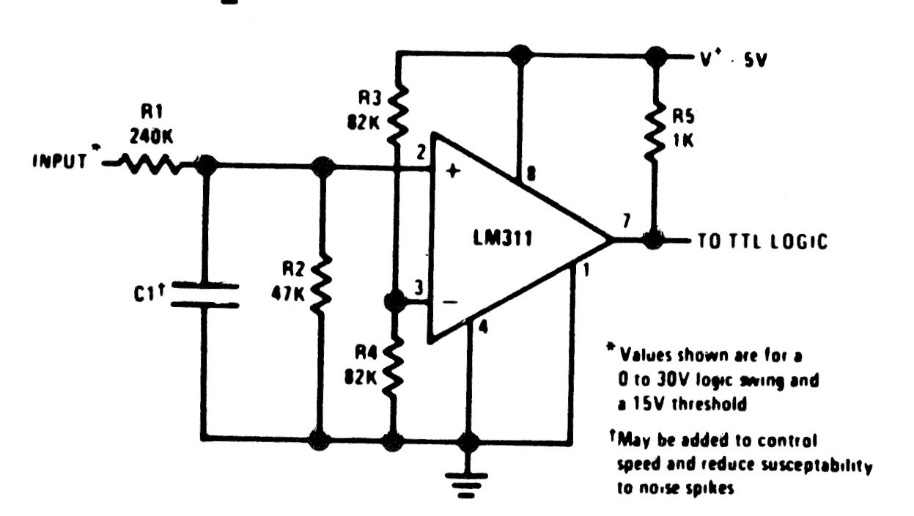
This TTL shield with high level logic is from the LM111's own 80's manual. The integrated circuit is no longer easily found, but the circuit can be adapted to use modern equivalent operational amplifiers.
This circuit was found in an English operational documentation from 1970. The circuit can be...
This circuit is from a 1974 publication. It generates a pulse with several sinusoidal cycles from...
This solar cell driven circuit makes 4 LEDs run at a speed given by capacitor C2. The circuit is...