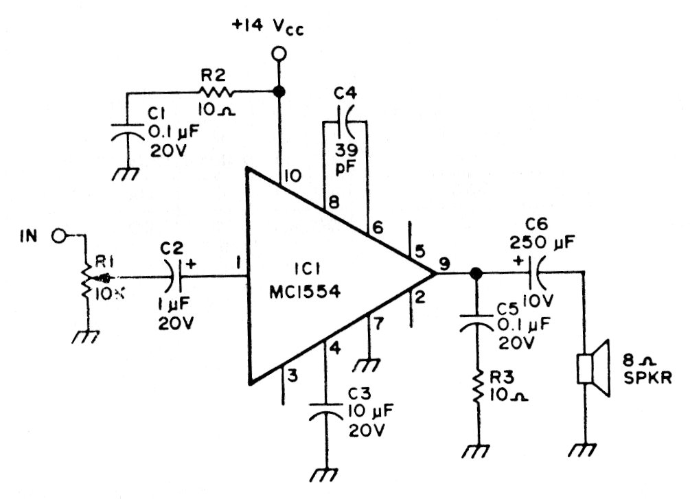
This is an amplifier from the 70s. The integrated circuit used is uncommon today and the power supplied is not the greatest. The circuit is from Motorola.
This protection circuit for battery chargers was found in an old Elektor. The relay is according to...
The circuit presented is suggested by Mullard (Philips) in an old manual. The circuit uses a...
To small metal plates are used as sensor in this circuit. The skin resistance is enough to trigger the...