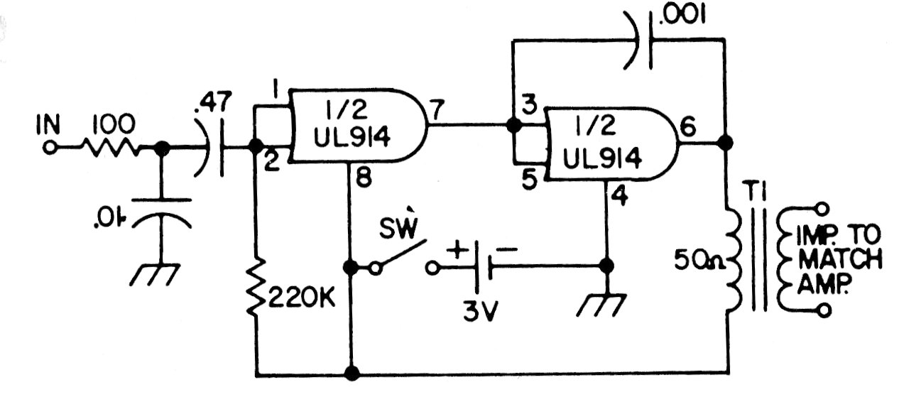
This circuit is from a documentation from the 70s. The circuit uses logic gates of the time, which in many cases were arrays of transistors allowing use as audio amplifiers, as in this case.
This circuit was taken from the 1960's Mullard Transistor Manual. Information about the coils is...
This circuit with zener diodes was found in documentation from the 90s. The zener diodes determine the...
This circuit using components that are still common in our market was found in a 1987...