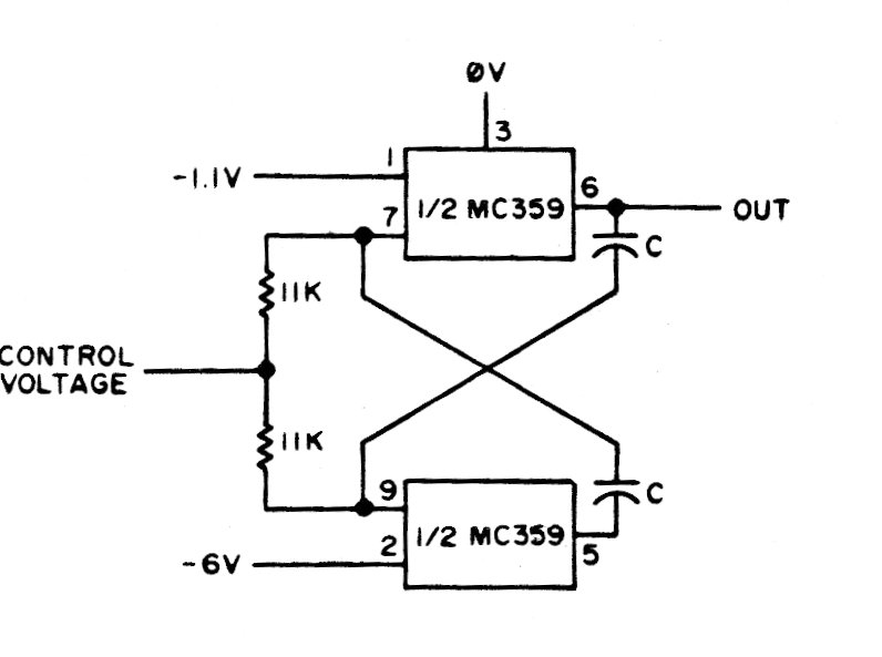
We found this circuit in documentation from the 1980s. The integrated circuit used is uncommon today, and the use of a modern equivalent should be analyzed.
The LM387 integrated circuit used in this project is not very easy to obtain. The circuit, from an...
The MOS field effect transistors of this circuit are not very common, as it is a project from the...
Division of a digital signal up to 4098 can be done using the 4040 IC as shown in Figure bellow....