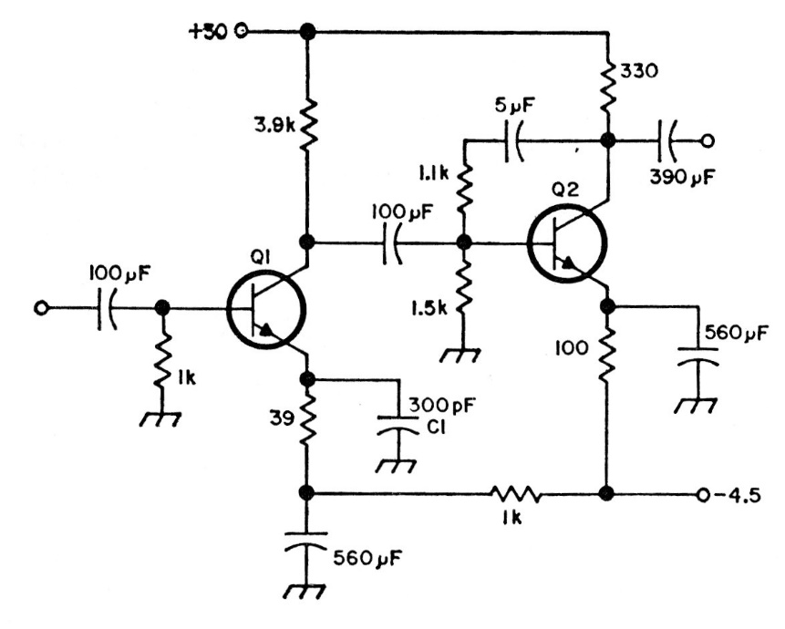
This amplifier was found in a technical documentation from the 1970s. The circuit uses 2N2218 transistors or equivalent and operates with a signal from 5 to 30 MHz with an output amplitude of 7 V under load of 100 ohms.
This amplifier was found in a technical documentation from the 1970s. The circuit uses 2N2218 transistors or equivalent and operates with a signal from 5 to 30 MHz with an output amplitude of 7 V under load of 100 ohms.