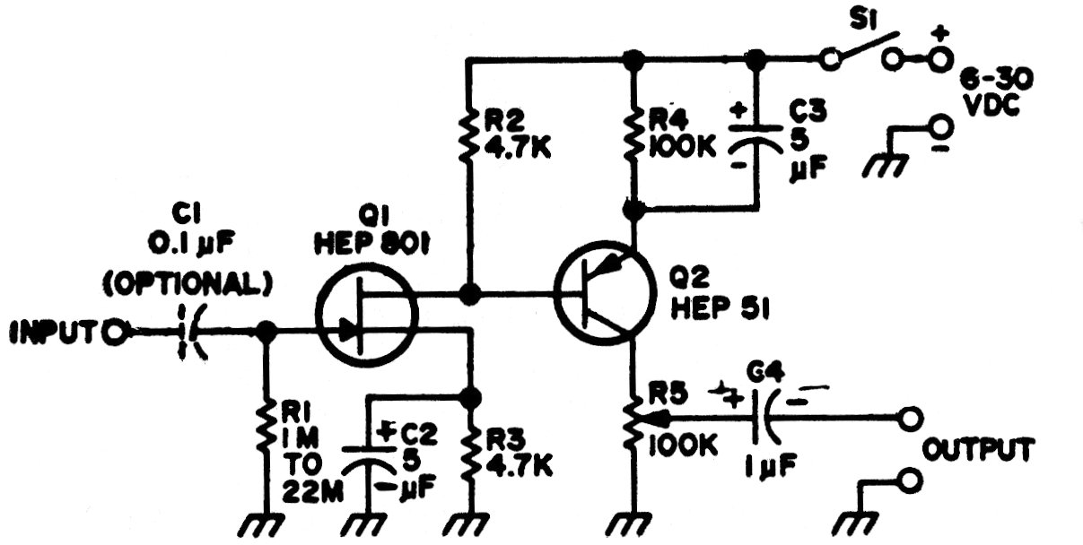
This step of two transistors has a high input impedance due to the use of FET. We can use BF245 for this function and the bipolar can be BC548. The circuit is from an 1975 American documentation.
This circuit was found in a Texas Instruments optoelectronics documentation. The gain depends on...
This oscillator circuit is from a Radio Electronics magazine from September 1960. The frequency depends...
Using a reed relay, this protection circuit depends only on the adjustment of the closing point by a wire...