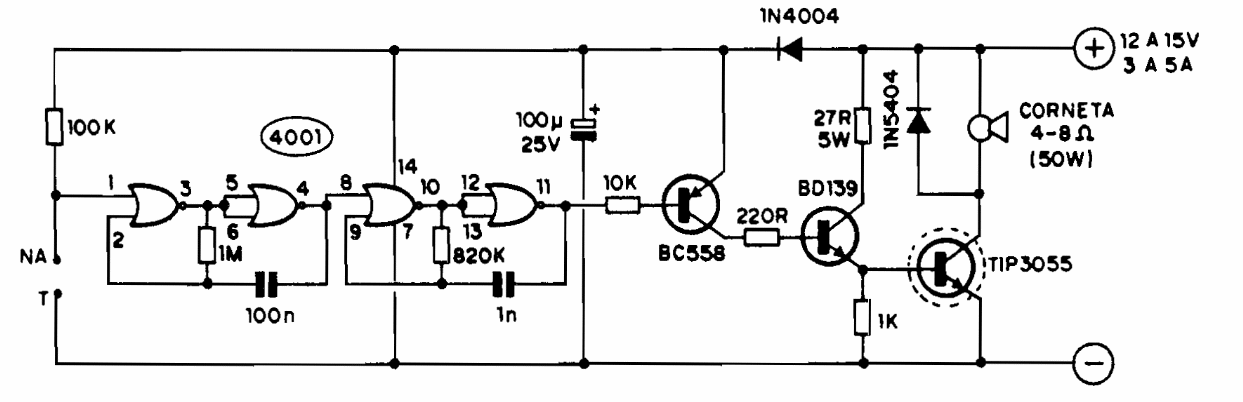
This powerful siren is suitable for warning or alarm systems. The components are current and the transistor 3055 must be mounted on a good heat sink.
This circuit was found in a Texas Instruments optoelectronics documentation. The gain depends on...
This oscillator circuit is from a Radio Electronics magazine from September 1960. The frequency depends...
Using a reed relay, this protection circuit depends only on the adjustment of the closing point by a wire...